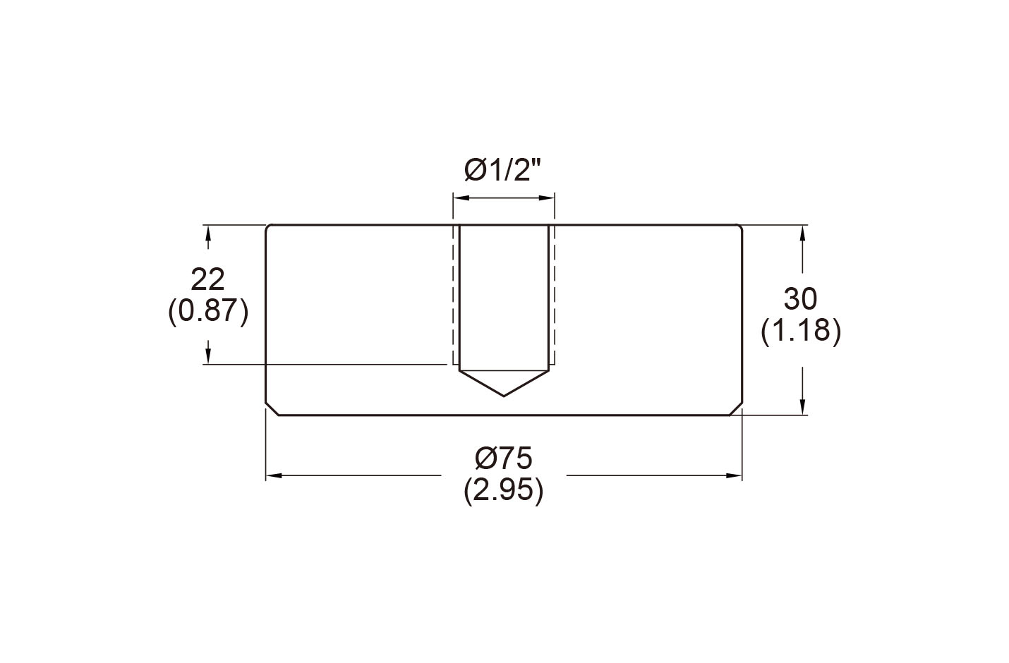
Stainless steel Puck & Bolt

Item No.N-8S232050WA
Stainless steel, heat treated

Net weight : 37.46 oz. / 1,062 g
Polished

Verification

Click the numbers in sequence.

Compare

total 0 items