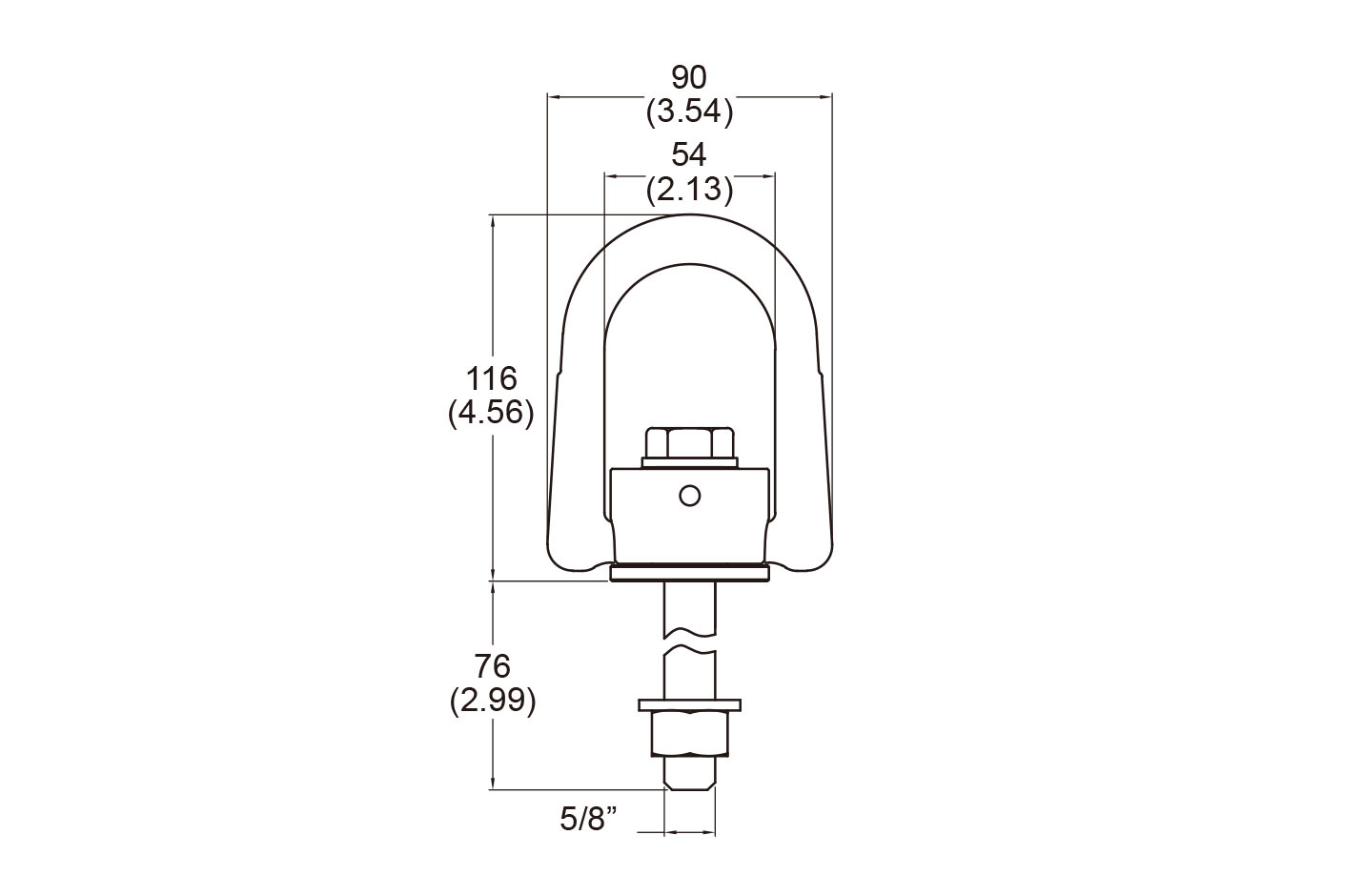
Steel Swivel Anchor Without Bolt 10K

Item No.N-8232100A
Forged steel, heat treated
Min. Breaking load : 10000 lbs / 45 kN

Meets :
● ANSI Z359.18-2017

Net weight : 36.3 oz. / 1.03 kg
Yellow zinc
Item NO. Compare Net WeightMin. Breaking loadColorBodyMeets
kgANSI-Z359-18-2017
N-8232100A Compare 1.03 10000 lbs / 45 kN Yellow Zinc Forged steel
Item NO. Compare Net WeightMin. Breaking loadColorBodyMeets
oz.ANSI-Z359-18-2017
N-8232100A Compare 36.3 10000 lbs / 45 kN Yellow Zinc Forged steel

Verification

Click the numbers in sequence.

Compare

total 0 items