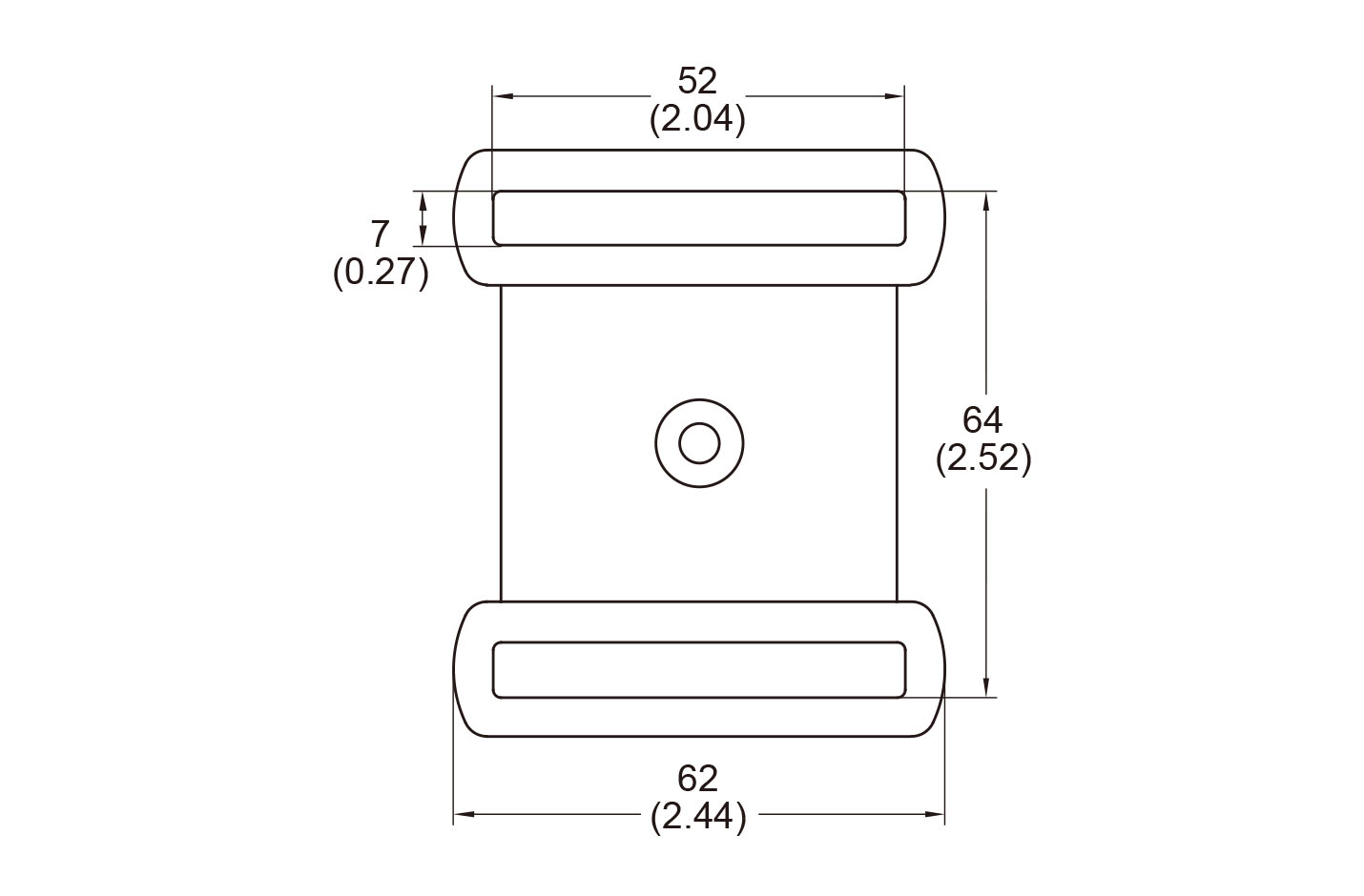
Plastic pad

Item No.N-705
Net weight : 0.4 oz. / 10 g
Item NO. Compare Net WeightColorBody
g
N-705 Compare 10 Black Plastic
Item NO. Compare Net WeightColorBody
oz.
N-705 Compare 0.4 Black Plastic

Verification

Click the numbers in sequence.

Compare

total 0 items