| Item NO. | Compare | Net Weight | Min. Breaking load | Meets | Color | Body | |
|---|---|---|---|---|---|---|---|
| g | ANSI Z359.12-2019 | CSA Z259.12-16 | |||||
| N-5741 | Compare | 14 | 3400 lbs / 15 kN | ✔ | ✔ | Anodized | Sheet aluminum alloy |
| Item NO. | Compare | Net Weight | Min. Breaking load | Meets | Color | Body | |
|---|---|---|---|---|---|---|---|
| oz. | ANSI Z359.12-2019 | CSA Z259.12-16 | |||||
| N-5741 | Compare | 0.5 | 3400 lbs / 15 kN | ✔ | ✔ | Anodized | Sheet aluminum alloy |
NEW Products
Overmolded Rebar hook
N-DE363
Flexigrip-Connectcor
N-5051
Aluminum Snap Hook
N-5037
Aluminum D-Ring
N-528L
Aluminum Bent D-Ring
N-529L
Combo D
N-550L / N550R
Auto-Lock Overmolded Carabiner
N-DE244G
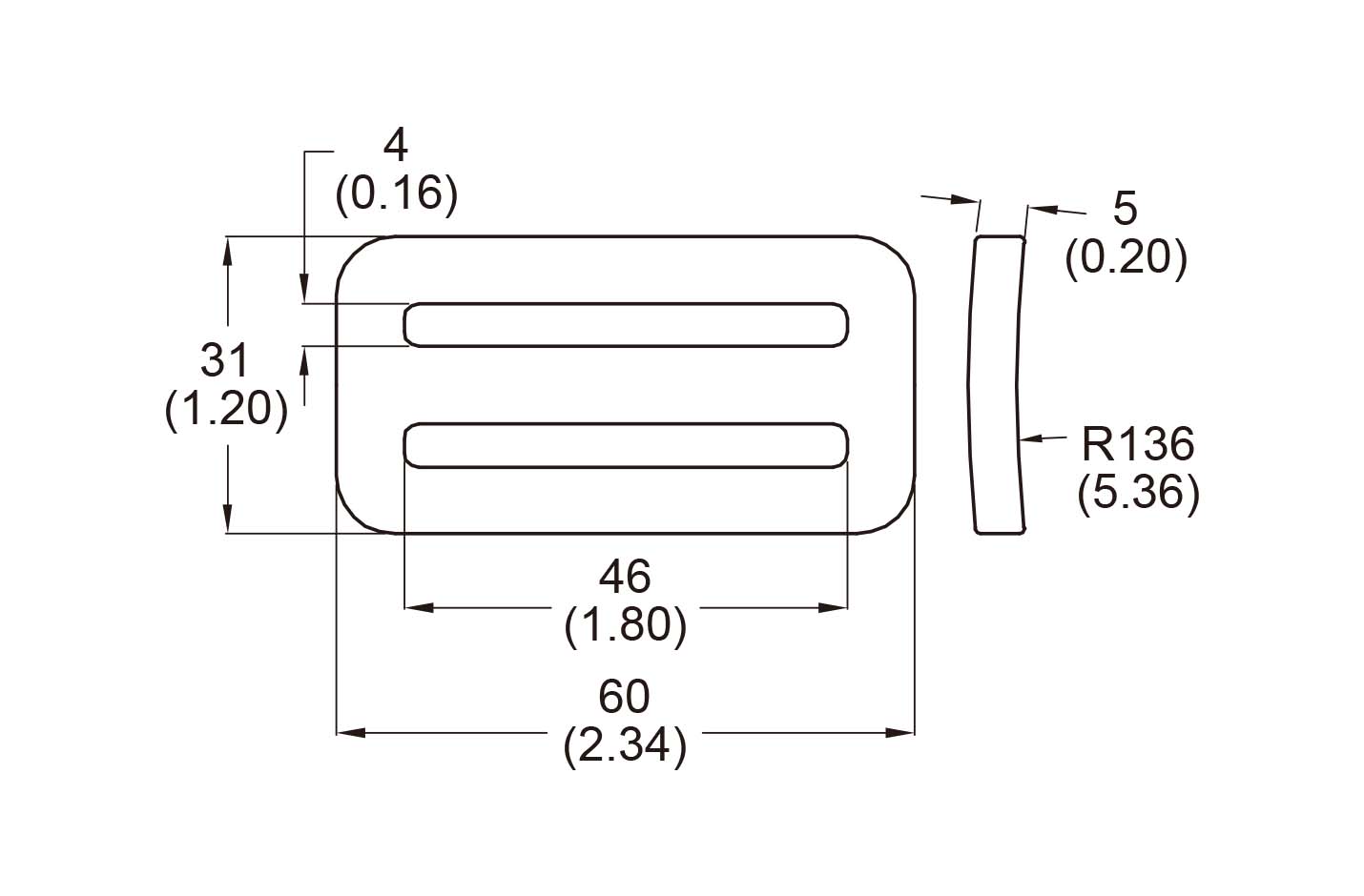
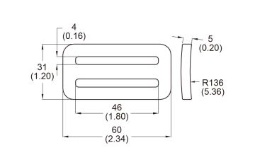
Aluminum Tongue Buckle
N-5441
Cable Carrier Sleeve
N-626
Three-way Swivel
N-5357
Aluminum QR Buckle
N-58641
Overmolded Adjuster
N-DE4135
Rebar Hook For 4” Gate Opening
N-301110