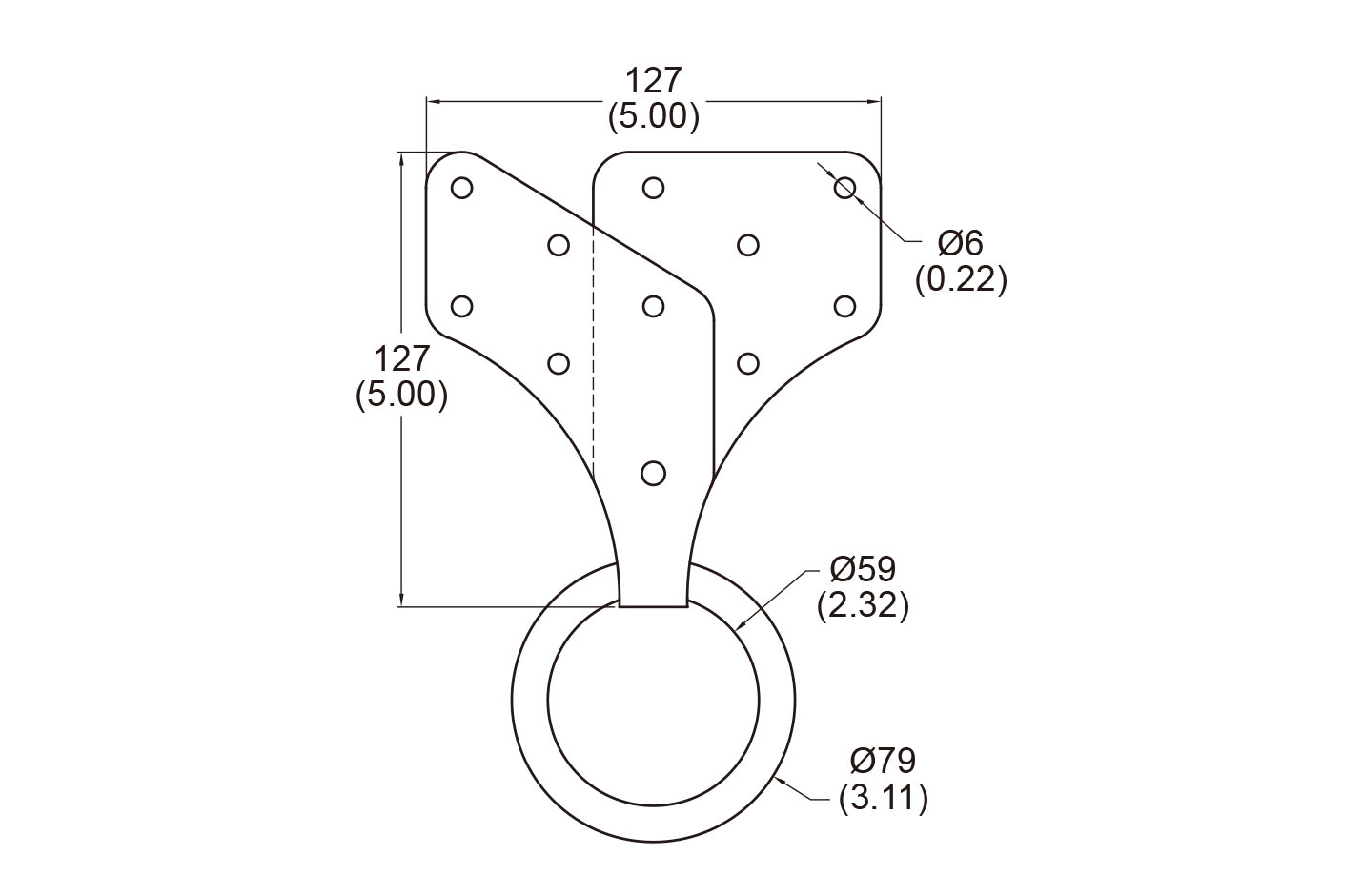
Wood Truss/Attic anchor

Item No.N-5077
Min. Breaking load at 0° : 3000 lbs/13kN
Min. Breaking load at 90° : 2000lbs/9 kN
Max capacity : 1 User (310 lbs/140kg)

Net weight : 11.8 / 335 g
Zinc Plated
Item NO. Compare Net WeightColor
g
N-5077 Compare 335 Zinc plated
Item NO. Compare Net WeightColor
oz.
N-5077 Compare 11.8 Zinc plated

Verification

Click the numbers in sequence.

Compare

total 0 items