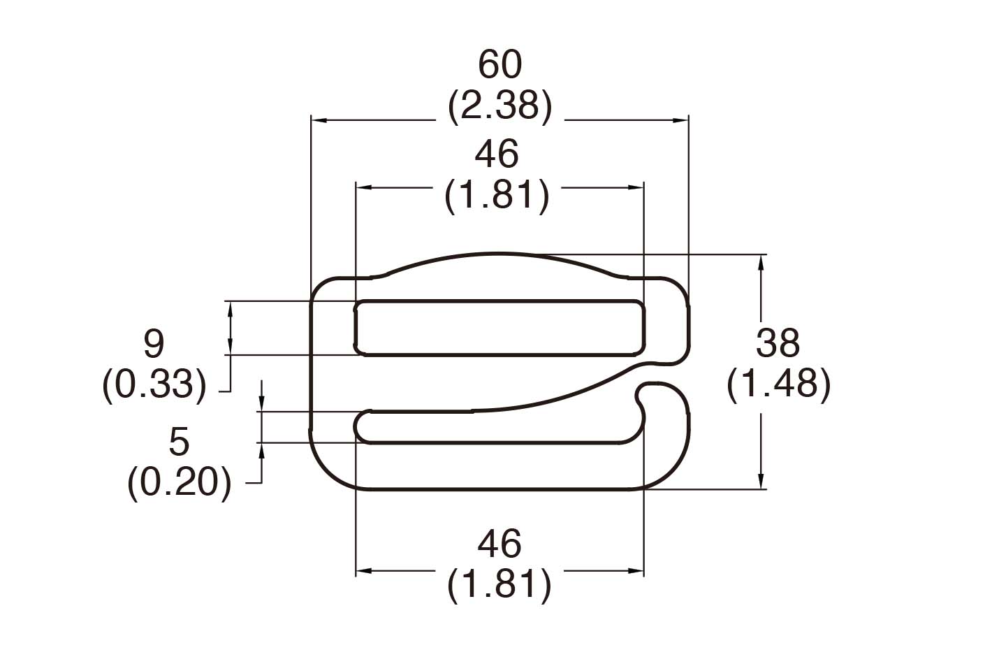
Quick Buckle

Item No.N-4941
Sheet steel, heat treated

Net weight : 1.0 oz. / 29 g
Yellow Zinc
Item NO. Compare Net WeightColorBody
g
N-4941 Compare 29 Yellow Zinc Sheet steel
Item NO. Compare Net WeightColorBody
oz.
N-4941 Compare 1 Yellow Zinc Sheet steel

Verification

Click the numbers in sequence.

Compare

total 0 items